JiffyJet Einpress- Kühlmitteldüse 9/1152.4 mm DIA. VE=5 Stück
71,79€
exkl. 19 % MwSt. zzgl. Versandkosten
9/16 INCH
- Beschreibung
- Downloads
- Zusätzliche Informationen
- Produktsicherheit
Beschreibung
Einpressdüse KÜHLMITTELDÜSE- JiffyJet 10 BAR
Erhältlich in Durchmesser: 1/4"-5/16"-3/8"-7/16"-9/16"-5/8"- 6 mm-8 mm-10 mm-12 mm-14 mm-15 mm

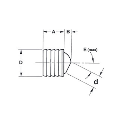
BOHREN

REIBEN
-0 +.002."

EINSETZEN
BESTELLINFORMATIONEN
EINPRESSDÜSE- KÜHLMITTELDÜSE JIFFY JET
Einfach ein Loch bohren und aufreiben, eine JiffyJet einpressen und schon haben Sie eine leicht ausrichtbare Kühlmitteldüse!
Ideal für Sonderwerkzeuge, VDI-Halter, CNC-Drehwerkzeuge, Schraubenmaschinen usw. Maximaler Druck: Bis zu 150 psi (10 bar) maximal. Verstellwinkel: ±35° Verstellung auf jeder Seite der Mittellinie.

KÜHLMITTELDÜSE JIFFY JET
Durchmesser:
1/4"-5/16"-3/8"-7/16"-9/16"-5/8"
6 mm-8 mm-10 mm-12 mm-14 mm-15 mm
Technische Daten
- Material: Körper - Kunststoff Acetal, Kugel - Edelstahl
- Maximale Arbeitstemperatur: 70°C
- Maximaler Druck: 10 bar
- Verstellwinkel: bis 35°
- Düsendurchmesser/Auslass: 0 mm bis 15 mm
Einsatzbereiche
- CNC Drehzentrum
- CNC-Mehrachsenschleifmaschine
- CNC Horizontale Bearbeitungszentrum
- Vertikale Drehzentren
- VDI Halter
- CNC Drehmaschinen
- Schleifmaschine
Vorteile
- Treffsicherheit auf beliebiges Ziel über der Montageebene
- Edelstahlkugel wenn Schneidöle verwendet werden, wie z. B. Öle mit aktivem Schwefel
- Maximaler Druck von 10 BAR
- Leicht austauschbare Kühlmitteldüse JiffyJet
- Wählen Sie die Düsenöffnung entsprechend Ihrer Anwendung
- Leicht einstellbar für präzise Platzierung des Kühlmittelstrahles
- Ideal für Werkzeughalter, VDI Halter und CNC-Mehrachsen-Schleifmaschinen, CNC Drehmaschinen
Montage
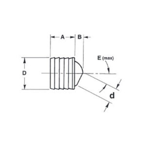
Loch bohren, mit Genauigkeit -0 +.002" reiben und die Düse einsetzen- fertig.
Mit der Kühlmitteldüse JiffyJet wird jede einfache Kühlmittelbohrung innerhalb von Sekunden einstellbar. Einfach in die Kühlmittelbohrung einpressen, ausrichten, testen und gegebenenfalls anpassen – fertig.
Einfache Anpassung
Die Einschraub-Kühlmitteldüse ist individuell justierbar und verfügt über ein Kugelgelenk aus rostfreiem Stahl, einem Grundkörper aus Kunststoff mit sicheren Befestigungssrillen, was eine stabile und sichere Düsenposition gewährleistet. Einfaches Wechseln möglich. Die Düsen können in verschiedenen Positionen fixiert werden.
Unterstützung beim Einstellen
Zur Unterstützung beim Einstellen des Kühlmittelstrahls kann ein Rundstab verwendet werden, der in die Düsenöffnung gesteckt wird.
Katalogseite


Zusätzliche Informationen
| Gewicht | 0,1 kg |
|---|---|
| Artikel | Einpressdüse |
| Variante | 9/16" |
| Marke | QPM |
| Typ | JiffyJet(10 bar) |
| Artikelnummer | JJ00106 |
| EAN | 4872363121496 |
| HAN | JJ00106 |




















